當前位置: 滾珠絲桿網 ? 4005滾珠絲桿 ? DFV4005滾珠絲桿
DFV4005滾珠絲桿
雷研精密傳動設備有限公司供應DFV4005滾珠絲桿【貨源充足、價格合理、原裝正品、品牌齊全】滿足客戶的需求。請需要DFV4005滾珠絲杠的朋友聯系:黃志杰(經理)? 聯系電話:15802034588。
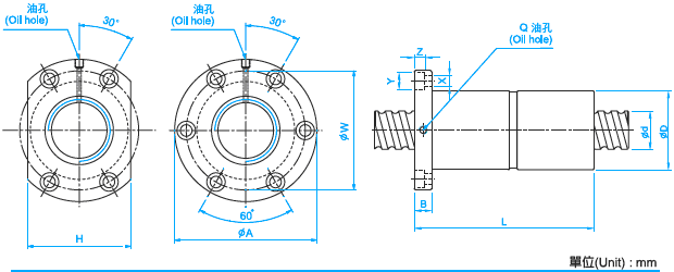
DFV4005滾珠絲杠參數
型號:DFV4005
絲桿外徑:40
導程:5
珠徑:3.175
螺母外徑:67
法蘭直徑:101
法蘭的厚度:15
螺母的長度:109
安裝孔之間的距離:83
法蘭的寬度:72
珠圈數:4.8×1
動額定負荷:2468
靜額定負荷:9586
剛性:105
DFV滾珠絲杠的選定要領
選擇滾珠絲桿時, 首先要儘量地調查清楚運轉條件再決定設計,這是最基本的原則。而且,選擇的要素有負荷重量、衝程、力矩、定位精度、重覆定位精度、剛性、導程、螺帽孔徑等,各個要素之間都有關連,其中一頂要素改變就會引起其他要素的改變,必須注意各要素之間的均衡。
滾珠絲桿的壽命
滾珠絲桿即使用正確狀態下使用,在經過一段時間后也會因劣化而無法再使用時間即為滾珠絲桿的壽命,一般區分為兩種:
a.疲勞壽命 : 發生剝離現象時稱之。
b.精度壽命 : 因磨損導致精度劣化時稱之。
瀏覽DFV4005滾珠絲杠的用戶還會?
DFV3220滾珠絲桿、DFV3210滾珠絲桿等。
滾珠絲杠討論①群263545937(專家在線為你解答)歡迎你的加入!
版權所有 © 轉載時必須以鏈接形式注明作者和原始出處!


