當前位置: 滾珠絲桿網 ? 3205滾珠絲杠 ? SCI3205滾珠絲桿
SCI3205滾珠絲桿
雷研精密傳動設備有限公司供應SCI3205滾珠絲桿【貨源充足、價格合理、原裝正品、品牌齊全】請需要SCI3205滾珠絲杠的朋友聯系:黃志杰(經理)? 聯系電話:15802034588。
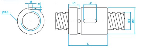
SCI3205滾珠絲杠參數
型號:SCI3205
絲桿外徑:32
導程:5
珠徑:3.175
螺母外徑:46
螺母的長度:45
珠圈數:1×4
動額定負荷:1922
靜額定負荷:6343
剛性:52.

【絲杠的長度界限】
滾珠絲杠在制造時其長度有一定的限制,一般廠家會在產品目錄中給出不同精度等級和軸徑條件下的絲杠長度界限。在界限之內的屬標準產品,超過界限的則要和廠家單獨聯系定做。一般情況下,廠家提供的標準品是夠用的,如C0級的絲杠最長可到2m,C3以卞精度級別的可到10m。
瀏覽SCI3205滾珠絲杠的用戶還會?
DFS3205滾珠絲桿、SFU3205滾珠絲桿等。
滾珠絲杠討論①群263545937(專家在線為你解答)歡迎你的加入!
版權所有 © 轉載時必須以鏈接形式注明作者和原始出處!

