當前位置: 滾珠絲桿網 ? 3210滾珠絲桿 ? DFV3210滾珠絲杠
DFV3210滾珠絲杠
雷研精密傳動設備有限公司供應DFV3210滾珠絲杠【貨源充足、價格合理、原裝正品、品牌齊全】滿足客戶的需求。請需要DFV3210滾珠絲桿的朋友聯系:黃志杰(經理)? 聯系電話:15802034588。
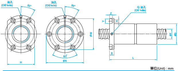
DFV3210滾珠絲桿參數
型號:DFV3210
絲桿外徑:32
導程:10
珠徑:6.35
螺母外徑:74
法蘭直徑:108
法蘭的厚度:15
螺母的長度:186
安裝孔之間的距離:90
法蘭的寬度:82
珠圈數:4.8×1
動額定負荷:5620
靜額定負荷:14649
剛性:101。
DFV3210滾珠絲桿動作不順暢
螺桿加工的問題
(1)螺桿或螺帽珠槽表面粗糙。
(2)鋼珠、螺桿或螺帽真圓度超出公差范圍。
(3)螺桿或螺帽的導程誤差超出公差范圍。
(4)回流管組裝不當。
(5)鋼珠大小或硬度不均。
以上的問題不該在高品質的產品中發生。
瀏覽DFV3210滾珠絲桿的用戶還會?
DFV2004滾珠絲杠、DFV1610滾珠絲桿等。
滾珠絲杠討論①群263545937(專家在線為你解答)歡迎你的加入!
版權所有 © 轉載時必須以鏈接形式注明作者和原始出處!


