當前位置: 滾珠絲桿網 ? 5010滾珠絲桿 ? DFV5010滾珠絲杠
DFV5010滾珠絲杠
雷研精密傳動設備有限公司供應DFV5010滾珠絲杠【貨源充足、價格合理、原裝正品、品牌齊全】滿足客戶的需求。請需要DFV5010滾珠絲桿的朋友聯系:黃志杰(經理)? 聯系電話:15802034588。
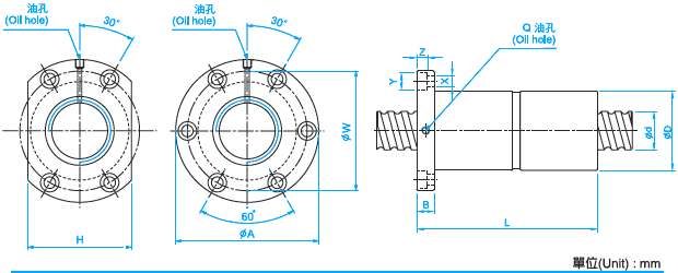
DFV5010滾珠絲桿參數
型號:DFV5010
絲桿外徑:50
導程:10
珠徑:6.35
螺母外徑:93
法蘭直徑:135
法蘭的厚度:16
螺母的長度:173
安裝孔之間的距離:113
法蘭的寬度:98
珠圈數:4.8×1
動額定負荷:7023
靜額定負荷:23537
剛性:144。
滾珠絲杠優點:
1、摩擦系數極低,且傳動效率高。
2、因摩擦阻抗小,不論迴轉變換成直線運動,或直線變換成迴轉運動均可實現。
3、可計算使用壽命。
4、靜摩擦及動摩擦系數小,因此黏滑效應少,定位控制時較容易達到高精度。
5、可用預壓方式來消除背隙以提高導絲桿之剛性“
6、潤滑保養容易,且若保養恰當,可防止異物入侵。
瀏覽DFV5010滾珠絲桿的用戶還會?
DFV2508滾珠絲杠、DFV2506滾珠絲桿等。
滾珠絲杠討論①群263545937(專家在線為你解答)歡迎你的加入!
版權所有 © 轉載時必須以鏈接形式注明作者和原始出處!


