當前位置: 滾珠絲桿網 ? 1605滾珠絲杠 ? DFV1605滾珠絲桿
DFV1605滾珠絲桿
雷研精密傳動設備有限公司供應DFV1605滾珠絲桿【貨源充足、價格合理、原裝正品、品牌齊全】滿足客戶的需求。請需要DFV1605滾珠絲杠的朋友聯系:黃志杰(經理)? 聯系電話:15802034588。
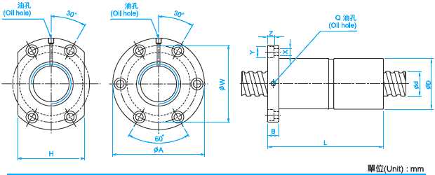
DFV1605滾珠絲杠參數
型號:DFV1605
絲桿外徑:16
導程:5
珠徑:3.175
螺母外徑:40
法蘭直徑:63
法蘭的厚度:11
螺母的長度:113
法蘭的寬度:42
珠圈數:4.8×1
動額定負荷:1614
靜額定負荷:3662
剛性:53。
圖紙下載:DFV1605滾珠絲桿圖紙PDF
精密磨制滾珠絲杠副制作過程
任何一條精密磨制滾珠絲杠副均嚴格按照以下基本工藝路線加工檢驗:審圖→根據客戶圖紙編制工藝文件→絲杠毛坯下料→熱處理并檢驗校直→加工端面,鉆中心孔→粗車→高溫時效并檢驗→加工端面并修中心孔→半精車→銑→粗磨→淬火并檢驗→研中心孔→ 粗磨→探傷→時效處理并檢驗→研中心孔→半精磨→低溫時效處理并檢驗→銑鍵槽→磨端部螺紋→研中心孔→精磨并全面檢驗→裝配→跑合→檢驗→防銹包裝→檢驗→入庫發運。一般而言,一條磨制滾珠絲杠副的工藝周期約為30-45天。

設計注意事項:
一般建議滾珠絲杠副的長徑比(即:絲杠總長/直徑)小于80. 長徑比在80 以上時,廠家一般不對滾珠絲杠副的精度,實際使用中的剛度,以及計算壽命提供保證,而且此時滾珠絲杠副的臨界轉速會迅速減小除非特別必要,在滾珠絲杠副全長上盡可能不要設計大于絲杠螺紋外徑的定位或非定位臺階。因為有這樣的臺階時,滾珠絲杠副毛坯直徑會比正常情況增加較多,從而增加加工量以及加工難度系數。
瀏覽DFV1605滾珠絲桿的用戶還會?
DFV1604滾珠絲杠、SFU4010滾珠絲杠等。
滾珠絲杠討論①群263545937(專家在線為你解答)歡迎你的加入!
版權所有 © 轉載時必須以鏈接形式注明作者和原始出處!


