SFV1604滾珠絲杠參數
型號:SFV1604
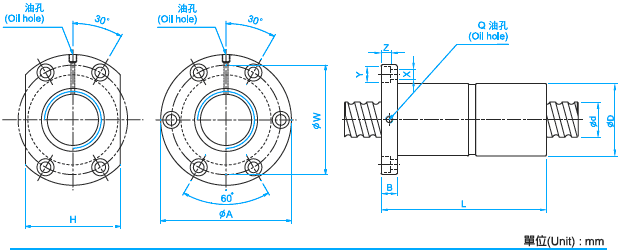
絲桿外徑:16
導程:4
珠徑:2.381
螺母外徑:34
法蘭直徑:57
法蘭的厚度:11
螺母的長度:45
安裝孔之間的距離:45
法蘭的寬度:34
珠圈數:3.8×1
動額定負荷:931
靜額定負荷:2285
剛性:31.
圖紙下載:SFV1604滾珠絲桿PDF
【注意SFV1604滾珠絲杠副的潤滑】
滾珠絲杠可用潤滑脂和潤滑油潤滑。潤滑脂一般加在螺紋滾道和安裝螺母的殼體空間內,而潤滑油則經過殼體上的油孔注入螺母的空間內。應每半年對滾珠絲杠上的潤滑脂更換一次,清洗絲杠上的舊潤滑脂,涂上新的潤滑脂。用潤滑油潤滑的滾珠絲杠副,可在每次機床工作前加油一次。
瀏覽SFV1604滾珠絲桿的用戶還會?
BSH1604滾珠絲杠、DFV1604滾珠絲桿等。
SFI1604滾珠絲桿參數
型號:SFI1604
絲桿外徑:16
導程:4
珠徑:2.381
螺母外徑:30
法蘭直徑:49
法蘭的厚度:10
螺母的長度:45
安裝孔之間的距離:39
法蘭的寬度:34
珠圈數:1×4
動額定負荷:973
靜額定負荷:2406
剛性:32。
圖紙下載:SFI1604滾珠絲杠圖紙PDF
【SFI1604滾珠絲杠減少運動件的摩擦阻力】
減少絲杠傳動和工作臺運動導軌的摩擦,以消除低速進給“爬行”現象,提高整個伺服進給系統的穩定性。在數控銑床上廣泛采用滾珠絲杠和滾動導軌以及塑料導軌和靜壓導軌等
瀏覽SFI1604滾珠絲桿的用戶還會?
DFU1604滾珠絲杠、SCI1604滾珠絲桿等。
DFU1604滾珠絲桿參數
型號:DFU1604
絲桿外徑:16
導程:4
珠徑:2.381
螺母外徑:28
法蘭直徑:48
法蘭的厚度:10
螺母的長度:80
安裝孔之間的距離:38
法蘭的寬度:40
珠圈數:1×4
動額定負荷:973
靜額定負荷:2406
剛性:43。
圖紙下載:DFU1604滾珠絲杠圖紙PDF
【機床選用滾珠絲杠】
滾珠絲杠的特點滾珠絲杠是機床進給傳給中的一個重要組件。滾珠絲杠與滑動絲杠相比主要有以下幾個優點:
①摩擦損失小.傳動效率高.
②動作靈敏.低速時無爬行現象.
③磨損小.精度保持性好。
④可消除軸向間隙。軸向剛度高。
瀏覽DFU1604滾珠絲桿的用戶還會?
BSH1604滾珠絲杠、SCI1604滾珠絲桿等。
DFI1604滾珠絲桿參數
型號:DFI1604
絲桿外徑:16
導程:4
珠徑:2.381
螺母外徑:30
法蘭直徑:49
法蘭的厚度:10
螺母的長度:80
安裝孔之間的距離:39
法蘭的寬度:34
珠圈數:1×4
動額定負荷:973
靜額定負荷:2406
剛性:44
圖紙下載:DFI1604滾珠絲杠圖紙PDF
【什么是滾動絲杠】
?滾動絲杠義分為滾珠絲杠和滾柱絲杠兩大類。滾珠絲杠與滾柱絲杠相比而言,摩擦力小,傳動效率高,精度也高,因而比較常用,但是其制造工藝比較復雜。
【DFI1604滾珠絲桿加工的方法】
滾珠絲桿加工可以車加工,也可以旋風銑加工,也可以數控車加工,關鍵是看你有什么設備及絲桿的螺距是不是標準的螺距,標準螺距機床是直接選擇普車都能搞定。非標的那就旋風銑或數控成加工了。
瀏覽DFI1604滾珠絲桿的用戶還會?
DFV8020滾珠絲杠、DFV8010滾珠絲杠等等。
DFV1604滾珠絲杠參數
型號:DFV1604
絲桿外徑:15
導程:4
珠徑:2.381
螺母外徑:34
法蘭直徑:57
法蘭的厚度:11
螺母的長度:89
法蘭的寬度:34
珠圈數:2.7×1
動額定負荷:931
靜額定負荷:2285
剛性:42
圖紙下載:DFV1604滾珠絲桿圖紙PDF
使用步進馬達時的最小進給量
S = E*Ph*A/360
S:最小進給量,mm
E: 步進馬達和驅動器的步進角,度
Ph: 滾珠絲杠副的導程,mm
A: 減速比,即滾珠絲杠副轉速/電機轉速。
使用伺服馬達時的分辨率
S = Ph*A/B
S: 最小進給量,mm
Ph: 滾珠絲杠副的導程,mm
A: 減速比,即滾珠絲杠副轉速/電機轉速
B:角度測試儀和驅動器的分辨率,即每轉脈沖數,p/rev。
使用步進馬達時脈沖速度的計算
F = V*1000/S
F: 脈沖速度,Hz
V: 進給速度,m/s
S: 最小進給量,mm。
從上述兩式知道,
系統的最小進給量和滾珠絲杠副的定位精度是沒有關系的兩個物理量,在實際使用中不要誤認為系統的最小進給量越小則其絲杠相應精度也越高。要想使最小進給量實現更小(即提高系統的分辨率),可以: 1)相應提高步進電機和驅動器的細分數/伺服電機角度測試儀和驅動器的分辨率,2)減小絲杠的導程,3)改變減速比。
瀏覽DFV1604滾珠絲桿的用戶還會?
DFV1510滾珠絲杠、SFU5010滾珠絲桿等。
SFU1604滾珠絲杠參數
型號:SFU1604
絲桿外徑:12
導程:4
珠徑:2.381
螺母外徑:28
法蘭的厚度:10
螺母的長度:40
法蘭的寬度:40
珠圈數:1×4
動額定負荷:973
靜額定負荷:2406
剛性:32
圖紙下載:SFU1604滾珠絲杠圖紙PDF
注:傳動滾珠絲杠副通常采用和的標準公差等級在特殊應用中例如要求扭矩變化非常小旋轉平穩也可能采用1,2,3,4及5的標準公差等級。關于:滾珠絲桿傳動特點
如何降低采購、制造和安裝成本?
在成本壓力越來越大,對靈活性的要求越來越高的情況下,采購產品部件時必須縮短供貨周期并尋求合適的價格。為此,需要從一開始就充分考慮客戶需求。

如何使系統更可靠?
相關部件應該達到更高的精度和質量,并降低維護成本。
如何提高系統的成本效益?
如果采用合適的螺紋傳動,實現高速操作和更強大的功能,則可以提高系統的成本效益。

瀏覽該產品的用戶還會?
SFU1204滾珠絲杠、絲杠支撐座等。
產品名稱:BSHR01604滾珠絲杠!
品牌介紹:
【Kuroda滾珠絲杠簡介】
是由日本黑田精工株式會社設計及生產,(黑田精工株式會社)成立于1925年,最初名為黑田挾范制作所(Kuroda Gauge Manufacturing Company),是日本國內最早生產專業量規的企業之一。自成立以來一直立足于高精密計量和機械加工技術行業,致力研究開發各種精密儀器。積累了許多與精密儀器相關的研究開發技術和經驗。利用這些技術和經驗所制造的精密滾珠絲杠,曾榮獲日本機械振興會頒發的一等獎,其產品廣泛應用于制造業,例如:半導體、混合動力汽車、船舶工業、精密機床、礦山機械等,在各個產業領域中贏得了高度的聲譽。

【TBI滾珠絲桿簡介】
全球傳動科技股份有限公司(TBI MOTION) 成立TBI MOTION同時整合TBI的專業製造技術及COMTOP的行銷體系以展新的面貌引領市場。
TBI滾珠絲桿是以多年來所累績的制品技術甚而,從材料,熱我理、制造、檢查到出貨,者是以嚴謹的品保制度來加以管理,因此具有高信賴性。
產品詳細信息:
產品品牌:TBI
型號:BSHR01604
導程:4
珠徑:2.381
鋼球循環圈數:1*3
剛性:24
動額定負荷:804
靜額定負荷:1083
D:是螺母外徑:16
d:絲桿外徑:29
圖紙下載:BSHR01604滾珠絲杠圖紙 PDF
【滾珠絲桿副的日常維護】
(1)滾珠絲桿副的潤滑
滾珠絲杠潤滑不良可同時引起數控機床多種進給運動的誤差,因此,滾珠絲杠潤滑是日常維護的主要內容。使用潤滑劑可提高滾珠絲杠耐磨性及傳動效率。潤滑劑可分為潤滑油和潤滑脂兩大類。
潤滑油一般為全損耗系統用油,潤滑脂可采用鋰基潤滑脂。潤滑脂一般加在螺紋滾道和安裝螺母的殼體空間內,而潤滑油則經過殼體上的油孔注入螺母的空間內。每半年對滾珠絲杠上的潤滑脂更換一次,清洗絲杠上的舊潤滑脂,涂上新的潤滑脂,用潤滑油潤滑的滾珠絲杠副可在每次機床工作前加油一次。數控機床維護應該注意那些事項。

(2)滾珠絲桿支撐座的定期檢查
定期檢查絲杠支承與床身的連接是否松動,連接件是否損壞,以及絲杠支承軸承的工作狀態與潤滑狀態。
(3)滾珠絲杠副的防護
滾珠絲杠副和其他滾動摩擦的傳動器件一樣,應避免硬質灰塵或切屑污物進入,因此,必須裝有防護裝置。如果滾珠絲杠副在機床上外露,則應采用封閉的防護罩,如采用螺旋彈簧鋼帶套管、伸縮套管以及折疊式套管等。安裝時,將防護罩的一端連接在滾珠螺母的側面,另一端固定在滾珠絲杠的支承座上。關于:滾珠絲桿驅動裝置請查這里

如果滾珠絲杠副處于隱蔽的位置,則可采用密封圈防護,密封圈裝在螺母的兩端。接觸式的彈性密封圈采用耐油橡膠或尼龍制成,其內孔做成與絲杠螺紋滾道相配的形狀;接觸式密封圈的防塵效果好,但由于存在接觸壓力,使摩擦力矩略有增加。非接觸式密封圈又稱迷宮式密封圈,它采用硬質塑料制成,其內孔與絲杠螺紋滾道的形狀相反,并稍有間隙,這樣可避免摩擦力矩,但防塵效果差。工作中應避免碰擊防護裝置,防護裝置一有損壞應及時更換。


雷研精密傳動設備有限公司供應SCI1604滾珠絲桿:服務熱線:15802034588
【臺灣TBI滾珠絲桿SCI1604參數價格】
產品品牌:TBI滾珠絲桿
型號:SCI1604
導程:4
珠徑:2.381
珠圈數:1*4
剛性:32
動額定負荷:973
靜額定負荷:2406
螺桿外徑尺寸:16(mm).
圖紙下載:SCI1604滾珠絲桿圖紙下載PDF
◎滾珠螺桿精度公差:C10,C7,C5,C3,C2,C1—-數字越小,精度越高TBI公司是世界知名的大型絲杠制造商;其絲桿最大特點是滾軋絲桿技術領先;質優價廉,大量被使用于雕刻機滾珠絲桿、繞線機、木工機床、數控機床等設備上.

【TBI滾珠絲桿簡介】
全球傳動科技股份有限公司(TBI MOTION) 成立TBI MOTION同時整合TBI的專業製造技術及COMTOP的行銷體系以展新的面貌引領市場。
TBI滾珠絲桿是以多年來所累績的制品技術甚而,從材料,熱我理、制造、檢查到出貨,者是以嚴謹的品保制度來加以管理,因此具有高信賴性。

相關品牌:
【臺灣HIWIN滾珠絲桿的簡介】
上銀(HIWIN)科技股份有限公司,英文全稱(HI-tech WINner)用意是With us, you are a hi-tech winner。 中文意思:意即客戶使用HIWIN的傳動控制產品而創新價值、增強競爭力,成為市場贏家;當然也有自我期許成為創新科技的贏家。